Добро пожаловать!

В нашей коллекции - только эксклюзивные контрольные,
курсовые и дипломные
работы для студентов
железнодорожных учебных заведений, выполненные по
индивидуальному заказу.
Наши работы не имеют
аналогов в бесплатных  банках рефератов. На сегодняшний день  у нас более  1000 Контрольных, курсовых и дипломных работ. По каждой из  работ Вы  можете получить
полную информацию: тип
работы (контрольная,
лабораторная, курсовая,
диплом), план, количество
страниц.

Желаем Вам удачи и
успешной сессии!
Яндекс.Метрика
Электрические аппараты эл. подвижного состава
 
Вопросы  контрольной работы №1
 
 
1.Опишите назначение, классификацию и общие требования, предъявляемые к электрическим аппаратам ТПС.
2.Кратко опишите основные элементы контактных электрических аппаратов ТПС. Приведите поясняющие эскизы.
3.Контакты электрических аппаратов, их классификация по виду и характеру работы, форме, материалу. Приведите поясняющие эскизы.
4. Дугогасительные устройства электрических аппаратов ТПС, их классификация, особенности конструкции в зависимости от величины тока, напряжения и индуктивности разрываемой цепи. Приведите поясняющие эскизы.
5.Приводы контактных систем электрических аппаратов ТПС, их классификация. Приведите поясняющие эскизы.
6. Укажите назначение, опишите устройство и принцип действия индивидуального электропневматического контактора ТПС. Приведите поясняющий эскиз.
7.Укажите назначение, опишите устройство и принцип действия индивидуального электромагнитного контактора ТПС. Приведите поясняющий эскиз.
8.Укажите назначение, опишите устройство и принцип действия двухпозиционного группового контактора (переключателя) ТПС. Приведите поясняющий эскиз.
9.Укажите назначение, опишите устройство и принцип действия силового контроллера электропоезда (любой серии). Приведите поясняющий эскиз.
10.Укажите назначение, опишите устройство и принцип действия главного контроллера грузового электровоза переменного тока. Приведите поясняющие эскизы.
11.Укажите назначение, опишите устройство и принцип действия главного контроллера пассажирского электровоза. Приведите поясняющие эскизы.
12. Назначение, устройство и принцип действия реверсора. Типы реверсоров (по конструктивному исполнению), применяемых на ТПС. Приведите принципиальную схему реверсирования тяговых двигателей.
13.Укажите назначение, опишите устройство и принцип действия тормозного переключателя. Приведите эскиз привода.
14.Перечислите типы и назначение резисторов, применяемых в различных цепях ТПС. Опишите их устройство и приведите поясняющие эскизы.
15.Укажите назначение и опишите устройство разъединителей и отключателей высоковольтной цепи ТПС с ручным и дистанционным управлением. Приведите поясняющие эскизы.
16.Опишите назначение и конструкцию выпрямительных и выпрямительно-инверторных преобразователей ТПС. Приведите поясняющие эскизы.
17.Укажите назначение и опишите устройство токоприемника любого типа. Приведите поясняющие эскизы.
18.Изложите, что называется статической характеристикой токоприемника. Приведите график статической характеристики токоприемника и поясните его.
19.Поясните назначение и опишите конструкцию буксового заземляющего устройства электрической цепи ЭПС (любого типа). Приведите поясняющий эскиз.
20.Опишите назначение и устройство контроллера машиниста электропоезда (любой серии). Приведите поясняющие эскизы.
21.Опишите назначение и устройство контроллера машиниста электровоза постоянного тока. Приведите поясняющие эскизы.
22.Опишите назначение и устройство контроллера машиниста электровоза переменного тока. Приведите поясняющие эскизы.
23.Укажите назначение и опишите устройство быстродействующего выключателя типа БВП-5; поясните, как регулируется БВ на ток уставки. Приведите схему, поясняющую устройство БВ.
24.Изложите процесс автоматического отключения быстродействующего выключателя постоянного тока при коротком замыкании в силовой цепи. Приведите график, поясняющий процесс изменения тока до момента разрыва электрической цепи и поясните его.
25.Укажите назначение и опишите устройство быстродействующего выключателя типа  БВП-105; поясните, как регулируется БВ на ток уставки, приведите кинематическую схему БВ.
26. Опишите процесс включения быстродействующего выключателя типа БВП-105. Приведите поясняющие эскизы.
27.Укажите назначение, опишите устройство и принцип действия малогабаритного быстродействующего выключателя типа БВЗ-2. Приведите схему, поясняющую устройство быстродействующего выключателя.
28.Укажите назначение и опишите устройство главного выключателя типа ВОВ-25-4. Приведите схему, поясняющую устройство ГВ.
29.Опишите процесс автоматического отключения главного выключателя типа ВОВ-25-4. Укажите возможные причины такого отключения. Приведите принципиальную схему главного выключателя.
30. Укажите назначение, опишите устройство и принцип действия быстродействующего контактора типа БК-78Т. Приведите поясняющие схемы.
31.Укажите назначение, опишите устройство и принцип действия быстродействующего контактора типа КМБ-3. Приведите поясняющие схемы.
32.Укажите назначение, опишите устройство и принцип действия реле перегрузки тяговых двигателей (ТПС любой серии). Приведите поясня¬ющие эскизы и основные технические данные этого реле.
33.Укажите назначение, опишите устройство и принцип действия реле заземления (ТПС любой серии). Приведите поясняющие эскизы и схемы.
34.Укажите назначение, опишите устройство и принцип действия реле (или датчика) буксования(ТПС любой серии). Приведите поясняющие эскизы и схемы.
35.Укажите назначение и поясните принцип действия дифференциальной зашиты электровоза переменного тока. Приведите поясняющий эскиз.
36.Укажите назначение и поясните принцип действия дифференциальной зашиты электровоза постоянного тока. Приведите поясняющий эскиз.
37Укажите назначение, опишите устройство и принцип действия дифференциального реле моторного вагона электропоезда постоянного тока. Приведите поясняющий эскиз.
38.Укажите назначение и опишите устройство плавких предохранителей, применяемых на ТПС. Поясните, что такое токовременные характеристики плавких предохранителей. Приведите поясняющие эскизы и характеристики.
39.Укажите назначение, опишите устройство и принцип действия разрядников типа РМБВ-3,3 или РВЭ-25. Приведите поясняющие эскизы.
40.Укажите назначение, опишите устройство и принцип действия реле ускорения и торможения моторных вагонов электропоездов. Приведите поясняющие эскизы
41.Укажите назначение, опишите устройство и принцип действия реле рекуперации. Приведите поясняющие эскизы и схемы.
42.Укажите назначение, опишите устройство и принцип действия панели пуска расщепителя фаз.
43.Укажите назначение и опишите принцип действия выпрямительной установки электровоза переменного тока. Приведите поясняющие схемы.
44.Укажите назначение и опишите принцип действия теплового реле. Приведите поясняющие эскизы и схемы.
45.Укажите назначение и опишите принцип действия блокировочных переключателей  электровозов переменного тока. Приведите поясняющие эскизы.
46.Укажите назначение и опишите принцип действия бесконтактного регулятора напряжения типа БРН. Приведите поясняющую схему.
47.Укажите назначение и опишите принцип действия ступенчатого регулятора напряжения типа СРН. Приведите поясняющую схему
48.Укажите назначение и опишите принцип действия реле обратного тока. Приведите поясняющие эскизы.
49.Укажите назначение, опишите конструкцию и приведите схему включения защитного вентиля электровоза.
Задачи 50-59
50.Дано: Схема включения реле повышенного напряжения РПН и реле пониженного напряжения РНН на локомотиве (Рис.1). Сопротивление добавочного резистора    Rдоб=18000 Ом, сопротивление катушек реле повышенного и пониженного  напряжения RРПН = RРНН = 445Ом, ток, при котором включаются реле
Определить:1. Напряжение в контактной сети, при котором включаются и отключаются указанные реле.
2. Падение напряжения на элементах цепи при напряжении включении РПН.
3. Описать назначение РПН и РНН и их действие в электрической схеме локомотива.
Рисунок 1
51. Дано: Схема включения защитного вентиля ВЗ, реле контроля защиты РКЗ  на локомотиве (Рис.2). Сопротивление добавочного резистора Rдоб=21300 Ом, сопротивление катушки РКЗ  RРКЗ =156 Ом, сопротивление катушки ВЗ RВЗ=178Ом.
Определить:
1. Ток в цепи при напряжении в контактной сети Uкс = 3000 В.
2. Падение напряжения на элементах цепи.
3. Описать назначение РКЗ, ВЗ и их действие в электрической схеме локомотива.
Рисунок 2
52.Дано: Схема включения реле буксования на локомотиве (рис.3). Сопротивление катушки реле буксования РБ, RРБ = 4 Ом, ток срабатывания (включения) РБ, IРБ = 0,5 А,  сопротивление катушек главных полюсов тяговых двигателей RГП1 = RГП2 = 0,0103Ом.
Определить:
1. Падение напряжения ΔUГП на катушках главных полюсов тяговых двигателей ГП1 и ГП2 при токе двигателей IТД= 600 Аи отсутствии буксования.
2. Падение напряжения ΔUГП2  на катушках главных полюсов ГП2 в момент  срабатывания РБ, если буксует колесная пара двигателя №2.
3. Ток IГП2в цепи катушек полюсов двигателя №2 в момент срабатывания  (включения) РБ.
4. Описать назначение РБ и его действие в электрической схеме локомотива.
Рисунок 3
53. Дано: Схема включения реле буксования РБ на электровозе (Рис.4), активное сопротивление катушки реле буксования RРБ= 2900 0м, ток срабатывания (включения) РБ   IРБ= 0,07 А.
Определить:1. Разность падений напряжения на обмотках якорей тяговых двигателей при    буксования одного из двигателей в момент срабатывания РБ.
2. Описать назначение РБ и его действие в электрической схеме локомотива.
Рисунок 4
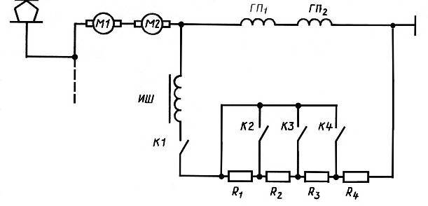
54. Дано: Упрощенная схема соединения тяговых двигателей электровоза постоянного тока и резисторов ослабления возбуждения (Рис.5). Сопротивление катушек главных полюсов двигателя RГП1 = RГП2 = 0,025 Ом; сопротивление (активное) индуктивного шунта RИШ = 0,0236 Ом.
Определить: 1. Величину сопротивления резисторов R1, R2, R3, R4, необходимую для получения коэффициентов регулирования возбуждения00β1 = 0,75, β2 = 0,55, β3 = 0,43, β4 = 0,36.
2. Кратко описать назначение индуктивного шунта и ослабления возбуждения тяговых двигателей.
Рисунок 5
55. Дано: Упрощенная схема соединения тяговых двигателей электровоза постоянного тока и резисторов ослабления возбуждения (Рис.5). Сопротивление катушек главных полюсов двигателя RГП1 = RГП2 = 0,025 Ом; сопротивление (активное) индуктивного шунта RИШ = 0,0236 Ом.
Определить: 1. Коэффициенты регулирования возбуждения β1, β2, β3, β4, если сопротивление резисторов R1 = 0,089 Ом, R2 = 0,0233 Ом, R3 = 0,0096 Ом,  R4 = 0,0045 Ом.
2. Кратко описать назначение индуктивного шунта и ослабления возбуждения тяговых двигателей.
Рисунок 6
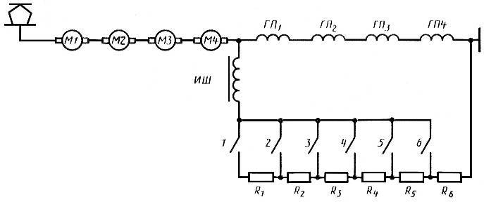
56. Дано: Упрощенная схема соединения тяговых двигателей электровоза постоянного тока и резисторов ослабления возбуждения (Рис.6). Сопротивление катушек главных полюсов двигателя RГП1 = RГП2 = RГП3 = RГП4 =  0,118 Ом; сопротивление (активное) индуктивного шунта RИШ = 0,0306 Ом
Определить: 1. Величину сопротивления резисторов R1, R2, R3, R4, R5,R6 необходимую для получения коэффициентов регулирования возбуждения  β1 = 0,595, β2 = 0,415, β3 = 0,323, β4 = 0,265, β5 = 0,210 β6 = 0,180.
2. Кратко описать назначение индуктивного шунта и ослабления возбуждения тяговых двигателей.
Рисунок 7
57. Дано: Упрощенная схема соединения тяговых двигателей электровоза постоянного тока и резисторов ослабления возбуждения (Рис.6). Сопротивление катушек главных полюсов двигателя RГП1 = RГП2 = RГП3 = RГП4 =  0,118 Ом; сопротивление (активное) индуктивного шунта RИШ = 0,0306 Ом.
Определить: 1. Коэффициенты регулирования возбуждения β1, β2, β3, β4,β5, β6, если сопротивление резисторов R1 = 0,3586 Ом, R2 = 0,1096 Ом, R3 = 0,0552 Ом,  R4 = 0,0445 Ом, R5 = 0,0219 Ом, R6 = 0,073 Ом.
2. Кратко описать назначение индуктивного шунта и ослабления возбуждения тяговых двигателей.
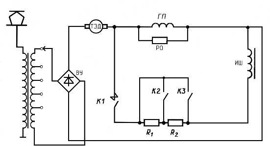
58.  Дано: Упрощенная схема соединения тягового двигателя электровоза переменного тока и резисторов ослабления возбуждения (Рис.7). Сопротивление катушки главного полюса двигателя RГП =  0,0079 Ом.
Определить:1. Величину коэффициента регулирования возбуждения двигателя βПП при постоянно включенном сопротивлении РО, если его величина  RРО = 0,1896 Ом.
2. Величину сопротивления резисторов R1, R2 и сопротивление индуктивного шунта RИШ необходимую для получения коэффициентов регулирования возбуждения β1 = 0,70, β2 = 0,52, β3 = 0,43.
3. Кратко описать назначение индуктивного шунта и ослабления возбуждения тяговых двигателей.
59. Дано: Упрощенная схема соединения тягового двигателя электровоза переменного тока и резисторов ослабления возбуждения (Рис.7). Сопротивление катушки главного полюса двигателя RГП =  0,0079 Ом.
Определить:1. Определить величину сопротивления резистора постоянно шунтирующего обмотку возбуждения двигателя RРО, если коэффициент регулирования возбуждения βПП = 0,96.
2. Коэффициенты регулирования возбуждения β1, β2, β3, если сопротивление резисторов R1 = 0,00984 Ом, R2 = 0,0026 Ом, RИШ = 0,00596 Ом.
3. Кратко описать назначение индуктивного шунта и ослабления возбуждения тяговых двигателей.
Стоимость работы на заказ - 800 руб.